Benzer Ürünler
Ayas 10 cm çap YKA-100B-2K-M 2550 D/D 220/230 volt Monofaze Yuvarlak Kanal Tipi Radyal Fan:Ağız Çapı: 98 mm
• 220 m³/h - 1.950 m³/h hava debisi aralığında çalışmaktadır.
• Fanlarımızda dıştan rotorlu motor kullanılmıştır.
• Fanlarımızın gövdeleri DKP sacdan imal edilip paslanmaya karşı elektrostatik toz boya ile korunmuştur.
• Pervaneler metal galvaniz sacdan seyrek kanatlı olarak imal edilmiştir. Dinamik balansları alınmıştır.
• Yüksek ve alçak basınçlı yatay ve dikey çalışabilecek şekilde boru ve kanal arasına monte edilmek üzere dizayn edilmiştir.
• Tüm fanlarımızda duvara bağlantı aparatları mevcuttur.
• Opsiyonel olarak hız kontrol cihazı ile hava debisi ve basınç ayarlanabilir. • Yalıtım : Class B
• Koruma Sınıfı : IP 44 Kullanım Alanları : Proje bazlı çalışmalar (Alışveriş Merkezleri, Hastane, Üniversiteler, Fabrikalar, Oteller) ile endüstriyel mekanların havalandırmasın
TEKNİK DEĞERLER
| MODEL | YKA-100B-2K-M |
| VOLTAJ | 220 V |
| FREKANS | 50 Hz |
| GÜÇ | 75 Watt |
| AKIM | 0.32 A |
| KONDANSATÖR | 2,5/400 (uF/VOLT) |
| DEVİR | 2500 d/dk. |
| HAVA DEBİSİ | 260 m³/h |
| SES SEVİYESİ | 45 dB(A) |
| AĞIRLIK | 3,50 Kg |
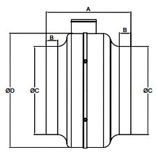
TEKNİK ÖLÇÜLER

| A | 203 mm |
| B | 22 mm |
| C | 98 mm |
| D | 240 mm |
• Has air flow between 220 m³/h and 1,950 m³/h.
• Casing is made of DKP sheet metal and protected from corrosion by electroctatic powder coating.
• Equipped with external rotor motor. • Impeller is backward curved and made from galvanised sheet metal.
• They have been designed as high and low pressure type to be mounted between the horizontal and vertical pipes and ducts.
• All models are equipped with wall mounting device.
• As an option, a speed control device can be used to adjust the air flow and pressure.
• Insulation : Class B • Protection : IP 44 Application Areas : Can be used for ventilation in the project-based works like malls, hospitals, universities, factories, hotels and othe
Neden idefix?
Siparişinizi teslim aldığınız tarihten itibaren 14 gün içinde iade edebilir, iade sürecinin tamamlanmasının ardındansa ödemenizi hızla geri alabilirsiniz.
Kullanıcı dostu ara yüzümüz tüm ihtiyaçlarınıza eksiksiz yanıt verebilmek için tasarlandı. Deneyiminizi uçtan uca kusursuz kılmak adına çağrı merkezimiz ve canlı destek hattımızla ihtiyaç duyduğunuz her anda yanınızdayız!
Siparişlerinizin bir an önce ulaşması için sabırsızlandığınızın farkındayız. Sunduğumuz farklı teslimat seçenekleri arasından size en uygununu belirlemeniz, siparişinizi olabildiğince çabuk veya dilediğiniz zaman aralığında sorunsuz bir biçimde teslim etmemiz için yeterli.
